0%

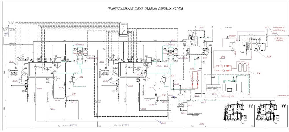
Основные ошибки проектирования паровых и водогрейных котельных

Современные паровые и водогрейные котельные имеют высокую эффективность в работе, надежность и безопасность, имеют возможность работать полностью в автоматизированном режиме. Чтобы этого добиться необходимо, чтобы проект был выполнен правильно!

Другие статьи:
13.10.2025
Комплексные котельные установки под ключ: энергоэффективные решения от ГК «Энергия»

ГК «Энергия» предлагает полный цикл проектирования, поставки и пусконаладки модульных и стационарных котельных установок, обеспечивая максимальную надёжность и экономию топлива.

31.07.2025
​Особенности строительства котельных для жилой застройки

В данной статье мы по шагам рассмотрим на, что стоит обратить пристальное внимание при строительстве и проектировании котельных, а так же при выборе подрядной организации.

30.07.2025
Модульные котельные. Как правильно сравнить производителей?

Простой и верный способ сравнения нескольких предложений — это сравнить принципиальные тепловые схемы предложенных котельных. Каждая котельная индивидуальна и необходимо применять комплексный подход в оценке ее стоимости не только по мощности, а квалификацией производителя, комплектацией и необходимым набором установленного оборудования.

Расчёт стоимости
Рассчитаем стоимость вашего проекта
Оставьте заявку и получите консультацию главного инженера с вариантами решения вашей задачи

Нажимая кнопку «Получить расчёт», я даю своё согласие на обработку моих персональных данных, на условиях и для целей, определённых политикой конфиденциальности

Назад
Выбор города
Выберите город

На этом сайте используются файлы cookie и Яндекс. Метрика. Нажимая кнопку «Принять» или продолжая просмотр сайта, вы даете согласие на обработку персональных данных в соответствии с нашей политикой конфиденциальности и принимаете условия пользовательского соглашения.